MGW15C 臺灣HIWIN滑塊 HIWIN導(dǎo)軌 臺灣上銀滑塊導(dǎo)軌
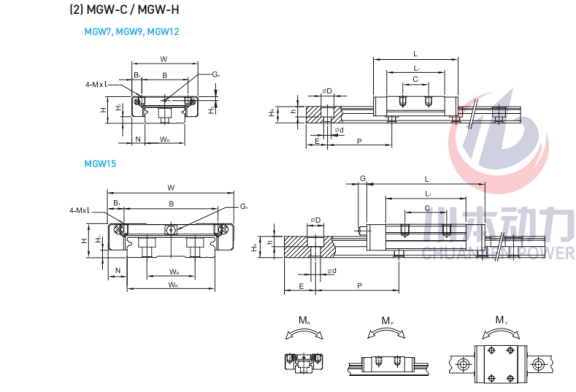
| 組件尺寸 | H | 16 | mm | 
| H1 | 3.4 | mm | |
| N | 9 | mm | |
| 滑塊尺寸 | W | 60 | mm | 
| B | 45 | mm | |
| B1 | 7.5 | mm | |
| C | 20 | mm | |
| L1 | 38 | mm | |
| L | 54.8 | mm | |
| G | 5.2 | mm | |
| Gn | M3 | mm | |
| MxL | M4*4.2 | mm | |
| H2 | 3.2 | mm | |
| 導(dǎo)軌尺寸 | WR | 42 | mm | 
| WB | 23 | mm | |
| HR | 9.5 | mm | |
| D | 8 | mm | |
| h | 4.5 | mm | |
| d | 4.5 | mm | |
| P | 40 | mm | |
| E | 15 | mm | |
| 導(dǎo)軌的固定螺栓尺寸 | 導(dǎo)軌的固定螺栓尺寸 | M4*10 | mm | 
| 基本動額定載荷 | C | 690 | kN | 
| 基本靜額定載荷 | C0 | 940 | kN | 
| 容許靜力矩 | MR | 20.32 | kN-m | 
| MP | 5.78 | kN-m | |
| MY | 5.78 | kN-m | |
| 重量 | 滑塊 | 143 | g | 
| 導(dǎo)軌 | 2.86 | kg/m | 
 
 
TAG:list
 
  
 
 
         
          
         
     

